 |
 |
|
 |
 |
Приводная техника

Вся продукция сертифицирована. Мы будем рады видеть Вас клиентом нашей компании.

|
|
 |
 |
 |
Мотор-редукторы червячные одноступенчатые 2мч-40, 2мч-63, 2мч-80 |
|
 |
 |
Мотор-редукторы 2МЧ-40, 2МЧ-63, 2МЧ-80
Мотор-редукторы червячные одноступенчатые 2МЧ-40, 2МЧ-63, 2МЧ-80 предназначены для работы в качестве приводов общемашиностроительного применения по ДСТУ 2279-93 (ГОСТ 25484-93). Мотор-редукторы червячные одноступенчатые универсальные типа 2МЧ выпускаются взамен устаревших редукторов типа РЧУ, снимаемых с производства. По сравнению с редукторами типа РЧУ редукторы типа 2МЧ обладают повышенной нагрузочной способностью. Ряд редукторов обеспечивает крутящие моменты на тихоходном валу 27-230 Н.м в диапазоне передаточных чисел 8-80. В неразъемном корпусе, отлитом из алюминиевого сплава методом литья под давлением, установлены узел червячного вала и узел червячного колеса. Крышки служат корпусами подшипников тихоходного вала. Корпус закрыт съемной крышкой, отлитой из алюминиевого сплава.
1. Мотор-редукторы 2МЧ-40
2. Мотор-редукторы 2МЧ-63
3. Мотор-редукторы 2МЧ-80
УСЛОВИЯ ПРИМЕНЕНИЯ РЕДУКТОРОВ:
-
нагрузка постоянная и переменная в пределах номинального крутящего момента;
-
вращение валов в любую сторону без предпочтительности;
-
климатические исполнения У3 и Т2 по ГОСТ 15150-69 при работе на высоте над уровнем моря до 1000 м, допускается работа мотор-редуктора на высоте более 1000 м над уровнем моря при соблюдении требований ГОСТ 183-74;
-
внешняя среда - неагрессивная, невзрывоопасная, с содержанием непроводящей пыли до 10 мг/м3.
Мотор-редукторы предназначены для работы от сети переменного
тока частотой 50 Гц или 60 Гц, напряжением 220 В или 380 В,
или, по согласованию с потребителем, на другие стандартные напряжения.

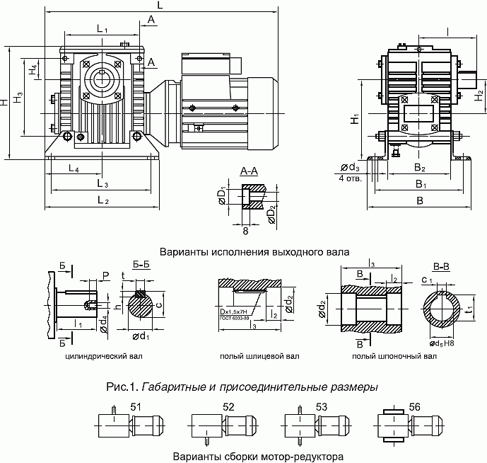
РИС 1.
Габаритные и присоединительные размеры.
| Типоразмер мотор-редуктора |
Lmax |
L1 |
L2 |
L3 |
L4 |
Bmax |
B1 |
B2 |
Hmax |
H1 |
H2 |
H3 |
P |
I |
| 2МЧ-40 |
370 |
105 |
180 |
150 |
90 |
164 |
140 |
100 |
180 |
112 |
40 |
105 |
15 |
90 |
| 2МЧ-63 |
470 |
150 |
220 |
180 |
110 |
197 |
165 |
125 |
225 |
145 |
63 |
150 |
20 |
120 |
| 2МЧ-80 |
540 |
180 |
260 |
225 |
130 |
212 |
185 |
140 |
296 |
172 |
80 |
180 |
20 |
145 |
| Типоразмер мотор-редуктора |
l1 |
l2 |
l3 |
l4 |
d1 |
d2 |
d3 |
t |
t1 |
c |
c1 |
D1 |
D2 |
| 2МЧ-40 |
28 |
20 |
112 |
28 |
18 |
23 |
25 |
20,5 |
20,8 |
6 |
6 |
16 |
10,5 |
| 2МЧ-63 |
42 |
20 |
108 |
20 |
28 |
33 |
35 |
31 |
29,3 |
8 |
8 |
18 |
12,5 |
| 2МЧ-80 |
58 |
25 |
116 |
24 |
35 |
41 |
44 |
37,5 |
38,3 |
10 |
10 |
18 |
12,5 |
Таблица №1.
Габаритные и присоединительные размеры.

РИС 4.
Конструктивное расположение по способу монтажа.
ТЕХНИЧЕСКИЕ ХАРАКТЕРИСТИКИ
| Номинальная частота вращения
выходного вала об/мин |
Допускаемая радиальная консольная
нагрузка, приложенная к середине посадочной части конца выходного
вала, Н |
Номинальный крутящий
момент на выходном валу Н х м , при ПВ , % |
КПД, % в непрерыв-ном режиме
с ПВ, 100%, не менее |
Типо-размер двигателя серии АИР |
Мощность двигателя,
кВт |
Корректи-рованный уровень звуковой
мощности, дБА, не более |
Масса
мотор-
редуктора
кг,
не
более |
| 40 |
100 |
| Мотор-редуктор 2МЧ-40 |
|
|
|
|
|
224 |
1500 |
20 |
68 |
63В2 |
0,55 |
80 |
12,4 |
180 |
24 |
67 |
63В2 |
0,55 |
140 |
22 |
58 |
63В4 |
0,37 |
112 |
28 |
26 |
57 |
63В4 |
0,37 |
90 |
32 |
30 |
55 |
63В4 |
0,37 |
71 |
35 |
30 |
52 |
63В4 |
0,37 |
56 |
30 |
28 |
50 |
63А4 |
0,25 |
45 |
40 |
36 |
48 |
63А4 |
0,25 |
35,5 |
36 |
31 |
43 |
63А4 |
0,25 |
31 |
41 |
56В4 |
0,18 |
10,5 |
28 |
32 |
38 |
56В4 |
0,18 |
22,4 |
28 |
26 |
37 |
56А4 |
0,12 |
Мотор-редуктор 2МЧ-63
|
180 |
2400 |
100 |
80 |
66 |
80В2 |
2,2 |
83 |
26 |
140 |
100 |
71 |
64 |
80В2 |
2,2 |
80 |
62 |
80А2 |
1,5 |
80 |
25 |
112 |
100 |
60 |
80В2 |
2,2 |
83 |
26 |
90 |
59 |
80А2 |
1,5 |
80 |
25 |
90 |
125 |
100 |
66 |
80В4 |
1,5 |
26 |
71 |
125 |
90 |
64 |
80В4 |
1,5 |
112 |
62 |
80А4 |
1,1 |
25 |
56 |
125 |
59 |
80А4 |
1,1 |
100 |
53 |
71В4 |
0,75 |
22 |
45 |
125 |
54 |
80А4 |
1,1 |
25 |
112 |
49 |
71В4 |
0,75 |
22 |
35,5 |
125 |
46 |
71В4 |
0,75 |
100 |
44 |
71А4 |
0,55 |
21 |
28 |
125 |
43 |
71В4 |
0,75 |
22 |
112 |
41 |
71А4 |
0,55 |
21 |
22,4 |
125 |
37 |
71А4 |
0,55 |
18 |
140 |
100 |
40 |
71В6 |
0,55 |
22 |
100 |
38 |
71А6 |
0,37 |
21 |
14 |
125 |
90 |
36 |
71В6 |
0,55 |
22 |
100 |
34 |
71А6 |
0,37 |
21 |
11,4 |
112 |
80 |
30 |
71А6 |
0,37 |
| Мотор-редуктор 2МЧ-80 |
224 |
400 |
180 |
125 |
75 |
100L2 |
5,5 |
87 |
49 |
125 |
74 |
100S2 |
4 |
83 |
43 |
180 |
180 |
71 |
90L2 |
3 |
38,5 |
125 |
69 |
140 |
180 |
66 |
112 |
180 |
64 |
125 |
63 |
80B2 |
2,2 |
33 |
90 |
250 |
180 |
67 |
100S4 |
3 |
43 |
180 |
66 |
90L4 |
2,2 |
38,5 |
71 |
250 |
64 |
100S4 |
3 |
43 |
180 |
63 |
90L4 |
2,2 |
38,5 |
56 |
250 |
61 |
90L4 |
2,2 |
38,5 |
180 |
59 |
80B4 |
1,5 |
80 |
33 |
45 |
250 |
200 |
57 |
90L4 |
2,2 |
83 |
38,5 |
200 |
55 |
80B4 |
1,5 |
80 |
33 |
35,5 |
250 |
180 |
50 |
80B4 |
1,5 |
33 |
180 |
48 |
80A4 |
1,1 |
31,5 |
28 |
250 |
48 |
80B4 |
1,5 |
33 |
180 |
46 |
80A4 |
1,1 |
31,5 |
22,4 |
224 |
160 |
41 |
80A4 |
1,1 |
33 |
160 |
40 |
71B4 |
0,75 |
28,5 |
18 |
224 |
38 |
80A4 |
1,1 |
31,5 |
160 |
37 |
71B4 |
|
28,5 |
14 |
260 |
180 |
38 |
80A6 |
31,5 |
11,4 |
260 |
36 |
80A6 |
31,5 |
180 |
35 |
71B6 |
0,55 |
28,5 |
ПРИМЕР УСЛОВНОГО ОБОЗНАЧЕНИЯ ПРИ ЗАКАЗЕ
Мотор-редуктор 2мч-40-56-51-1110-У3, 380, ТУ У3.26-00224828-343-98, где:
- 40 - межосевое расстояние, мм;
- 56 - номинальная частота вращения выходного вала, об/мин;
- 51 - вариант сборки по ГОСТ 20373-80;
- 1110 - конструктивное исполнение по способу монтажа по ГОСТ 30164-94;
- У3 - климатическое исполнение и категория по ГОСТ 15150-69;
- 380 - напряжение сети, В.
Приводная техника (мотор-редукторы, преобразователи частоты и устройства плавного пуска) отправляется покупателю транспортной компанией. По всем вопросам обращаться в офис.
Мы всегда рады видеть у себя наших старых партнеров и ждем новых.
Доставка во все регионы России!
|
 |
 |
|
|