 |
 |
|
 |
 |
Приводная техника

Вся продукция сертифицирована. Мы будем рады видеть Вас клиентом нашей компании.

|
|
 |
 |
 |
Мотор – редукторы цилиндрические 4МЦ2С, 4МЦ2С-63, 4МЦ2С-80, 4МЦ2С-100, 4МЦ2С-125 |
|
 |
 |
Мотор – редукторы цилиндрические 4МЦ2С, 4МЦ2С-63, 4МЦ2С-80, 4МЦ2С-100, 4МЦ2С-125

Описание:
Соосные 2-х ступенчатые цилиндрические мотор-редукторы серии 4МЦ2С предназначены для решения широкого спектра задач, комплектуются электродвигателями мощностью от 0.55 до 45 кВт. В зависимости от конфигурации, крутящий момент может достигать 3000 Нм. Минимальная скорость вращения выходного вала 28 об/мин. Максимальная скорость вращения выходного вала 400 об/мин. Исполнение на лапах или на фланце позволяют использовать мотор-редуктор в любом положении. Постоянный контроль на всех стадиях производства обеспечивает наилучшее качество редукторов серии 4МЦ2С. Такой мотор-редуктор имеет повышенный КПД и срок службы по сравнению с червячным. Благодаря своим характеристикам мотор-редуктор 4МЦ2С может применяться в самых различных отраслях промышленности.
Линейка мотор-редукторов 4МЦ2С включает в себя шесть типоразмеров: 4МЦ2С-63, 4МЦ2С-80, 4МЦ2С-100, 4МЦ2С-125, 4МЦ2С-140, 4МЦ2С-160.
1. Мотор-редуктор 4МЦ2С-63 - (цилиндрический соосный двухступенчатый), мощность: от 0,37 до 3,0 кВт, диапазон выходных оборотов 22 до 400 об/мин, крутящий момент от 15 до 200 Нм.
2. Мотор-редуктор 4МЦ2С-80 - (цилиндрический соосный двухступенчатый), мощность: от 0,55 до 5,5 кВт, диапазон выходных оборотов 22 до 400 об/мин, крутящий момент от 80 до 400 Нм.
3. Мотор-редуктор 4МЦ2С-100 - (цилиндрический соосный двухступенчатый), мощность: от 1,5 до 7,5 кВт, диапазон выходных оборотов 22 до 355 об/мин, крутящий момент от 200 до 800 Нм.
4. Мотор-редуктор 4МЦ2С-125 - (цилиндрический соосный двухступенчатый), мощность: от 2,2 до 18,5 кВт, диапазон выходных оборотов 22 до 400 об/мин, крутящий момент от 250 до 1400 Нм.
5. Мотор-редуктор 4МЦ2С-140 - (цилиндрический соосный двухступенчатый), мощность: от 5,5 до 30,0 кВт, диапазон выходных оборотов 28 до 180 об/мин, крутящий момент от 1000 до 2100 Нм.
6. Мотор-редуктор 4МЦ2С-160 - (цилиндрический соосный двухступенчатый), мощность: от 7,5 до 45,0 кВт, диапазон выходных оборотов 28 до 400 об/мин, крутящий момент от 1100 до 3200 Нм.
Эксплуатация мотор-редуктора 4МЦ2С в подъемных механизмах ЗАПРЕЩЕНА.
Устройство мотор-редуктора:
Мотор-редуктор серии 4МЦ2С предназначен для уменьшения ,подводимых от электродвигателя, оборотов и увеличения крутящего момента. Значения скорости и момента зависят от передаточного отношения и типа электродвигателя. Конструктивно мотор-редуктор выполнен как отдельный узел в состав которого входит редукторная часть и редукторный электродвигатель собранные в жестком корпусе. Мотор-редуктор может устанавливаться на технологическую раму путем крепления за боковые лапы (G110) или фронтальный фланец (G310). Для передачи вращения между "пересекающимися" валами используется зубчатая цилиндрическая передача. Передаточное отношение редуктора зависит от размера и соотношения зубчатых колес. Система смазки редуктора сделана так, что рабочие поверхности зубьев передач всегда покрыты слоем масла. В корпусе редуктора предусмотрены окна контроля и заливки масла. Для устранения избыточного давления во время разогрева масла в процессе работы редуктора используется "сапун-пробка".
Особенности работы цилиндрических мотор – редукторов
-
Высокое качество: от конструкции до сборки
-
Повышенная плавность хода и бесшумность работы
-
Типоразмеры 4МЦ2С-63, 4МЦ2С-80, 4МЦ2С-100, 4МЦ2С-125, 4МЦ2С-140, 4МЦ2С-160
-
Выходные валы изготовлены из высокопрочной стали
-
Высококачественные подшипники
-
Используются графитовые прокладки и сальники
-
Соответствие продукта Европейским стандартам: возможность работы в разном климате, износостойкость
-
Продолжительный режим работы до 24 ч/сут.
Мотор-редукторы серии 4МЦ2С - габаритные и присоеденительные размеры – исполнение на лапах

Мотор-редукторы серии 4МЦ2С – фланцевое исполнение

4МЦ2С |
Тип электродвигателя |
L |
H |
В |
h1 |
A |
A1 |
E |
G |
d |
h |
К |
63 |
63B2 |
315 |
255 |
185 |
140±0,5 |
110±0,55 |
150±0,55 |
48 |
15 |
12 |
16 |
160 |
71В6;71В4 |
487 |
71А4; 71А2; 71В2 |
80В8; 80В6; 80В4; 80В2 |
517 |
265 |
80А6; 80А4 |
493 |
80A2 |
278 |
90L2; 90L4 |
538 |
275 |
200 |
80 |
90LA8; 90LB8;90L6; 90L4 |
590 |
305 |
225 |
170±0,5 |
115±0,7 |
180±0,7 |
75 |
22 |
15 |
18 |
175 |
100L6; 100L4; 100L2 |
635 |
317 |
100S4; 100S2 |
602 |
100 |
100L8; 100L6; 100L4 |
675 |
380 |
270 |
212±0,5 |
130±1 |
210±1 |
270 |
350 |
14 |
22 |
195 |
112МА6; 112М4; 112М2 |
695 |
400 |
280 |
100S4 |
645 |
380 |
270 |
125 |
112МА6; 112МВ6; 112М4 |
738 |
480 |
335 |
265±1 |
160±0,7 |
280±0,7 |
105 |
25 |
19 |
28 |
235 |
132S6; 132S4; 132M6 |
765 |
132М4 |
814 |
132М2 |
|
350 |
160S4 |
870 |
520 |
335. 350 |
160М4 |
910 |
160S2; 160М2 |
870 |
Габаритные и присоединительные размеры для исполнения на лапах.
4МЦ2С |
Тип электродвигателя |
L |
H |
В |
h1 |
A |
С |
R |
P |
d |
h |
К |
S |
63 |
63В2 |
315 |
255 |
185 |
140 |
130js |
185 |
200 |
240 |
11 |
12 |
150 |
65 |
71В6; 71В4 |
487 |
71А4:71А2:71В2 |
80В8; 80В6; 80В4; 80B2 |
517 |
265 |
80А6; 80А4 |
473 |
200 |
80А2 |
493 |
90L2 |
538 |
275 |
80 |
90LA8; 90LB8; 90L6; 90L4 |
590 |
305 |
250 |
170 |
180JS |
240 |
250 |
293 |
14 |
14 |
170 |
85 |
100L6; 100L4; 100L2 |
635 |
317 |
100S4; 100S2 |
602 |
317 |
100 |
100L8; 100L6; 100L4 |
675 |
380 |
270 |
212 |
230JS |
275 |
270 |
350 |
14 |
14 |
190 |
115 |
112МА6; 112М4; 112М2 |
695 |
400 |
280 |
100S4 |
645 |
380 |
270 |
125 |
112МА6; 112МВ6; 112М4 |
738 |
480 |
360 |
260 |
300js |
350 |
360 |
440 |
18 |
20 |
235 |
115 |
132S6; 132S4; 132M6 |
765 |
480 |
132М4 |
814 |
480 |
132М2 |
477 |
160S4; 160S2; 160M2 |
870 |
520 |
160М4 |
910 |
Габаритные и присоединительные размеры для фланцевого исполнения.
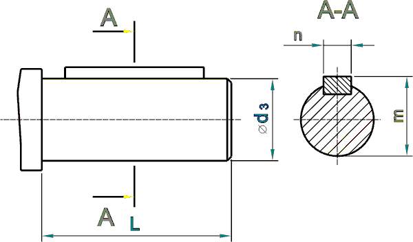
ВАРИАНТЫ ИСПОЛНЕНИЯ ВЫХОДНОГО ВАЛА МОТОР-РЕДУКТОРА.

РИС 3.
Конический выходной вал.

Цилиндрический выходной вал.
Размеры выходного
вала мотор-редуктора.
4МЦ2С |
d1 |
d2 |
d3 |
L |
L1 |
b |
t |
n |
m |
63 |
28 |
M16x1,5-8g |
28k6 |
60 |
42 |
5 |
14,9 |
8 |
31 |
80 |
35 |
М20х1,5-8g |
35k6 |
80 |
58 |
6 |
18,5 |
10 |
38 |
100 |
45 |
М30х2-8g |
45k6 |
110 |
82 |
12 |
23,45 |
14 |
48,5 |
125 |
55 |
МЗ6х3-8g |
55k6 |
110 |
82 |
14 |
28,9 |
16 |
59 |
Монтажное исполнение.

ТЕХНИЧЕСКИЕ ХАРАКТЕРИСТИКИ:
Мощность
электродвигателя |
Номинальная
частота
вращения
выходного
вала, об/мин. |
Типоразмер
мотор–редуктора |
Номинальная радиальная
консольная нагрузка,
приложенная в середине
посадочной части
выходного вала,Н |
Тип
электродвигателя |
Масса без
смазки, кг. |
0,55 |
28 |
4МЦ2С- 63 |
3300 |
71В6 |
24 |
35,5 |
4МЦ2С-63 |
3000 |
71В6 |
24 |
40 |
4МЦ2С-63 |
3200 |
71В6 |
24 |
45 |
4МЦ2С-63 |
2600 |
71В6 |
24 |
50 |
4МЦ2С-63 |
2500 |
71В6 |
24 |
56 |
4МЦ2С-63 |
2400 |
71A4 |
24 |
63 |
4МЦ2С-63 |
2200 |
71A4 |
24 |
71 |
4МЦ2С-63 |
2100 |
71A4 |
24 |
80 |
4МЦ2С-63 |
2000 |
71A4 |
24 |
90 |
4МЦ2С-63 |
1800 |
71A4 |
24 |
100 |
4МЦ2С-63 |
1800 |
71A4 |
24 |
112 |
4МЦ2С-63 |
1700 |
71A4 |
24 |
125 |
4МЦ2С-63 |
1600 |
71A4 |
24 |
140 |
4МЦ2С-63 |
1500 |
71A4 |
24 |
160 |
4МЦ2С-63 |
1400 |
63B2 |
15,5 |
180 |
4МЦ2С-63 |
1300 |
63B2 |
15,5 |
200 |
4МЦ2С-63 |
1200 |
63B2 |
15,5 |
224 |
4МЦ2С-63 |
1100 |
63B2 |
15,5 |
250 |
4МЦ2С-63 |
1000 |
63B2 |
15,5 |
280 |
4МЦ2С-63 |
1000 |
63B2 |
15,5 |
315 |
4МЦ2С-63 |
1000 |
63B2 |
15,5 |
355 |
4МЦ2С-63 |
950 |
63B2 |
15,5 |
400 |
4МЦ2С-63 |
850 |
63B2 |
15,5 |
0,75 |
28 |
4МЦ2С-80 |
4000 |
90LА8 |
36 |
31,5 |
4МЦ2С-80 |
3700 |
90LА8 |
36 |
35,5 |
4МЦ2С-63 |
3500 |
80А6 |
24 |
40 |
4МЦ2С-63 |
2800 |
80А6 |
24 |
45 |
4МЦ2С-63 |
3100 |
80А6 |
24 |
50 |
4МЦ2С-63 |
3000 |
80А6 |
24 |
0,75 |
56 |
4МЦ2С-63 |
3000 |
71В4 |
24 |
63 |
4МЦ2С-63 |
2600 |
71В4 |
24 |
71 |
4МЦ2С-63 |
2600 |
71В4 |
24 |
80 |
4МЦ2С-63 |
2300 |
71В4 |
24 |
90 |
4МЦ2С-63 |
2200 |
71В4 |
24 |
100 |
4МЦ2С-63 |
2100 |
71В4 |
24 |
112 |
4МЦ2С-63 |
2000 |
71В4 |
24 |
125 |
4МЦ2С-63 |
1900 |
71В4 |
24 |
140 |
4МЦ2С-63 |
1800 |
71В4 |
24 |
160 |
4МЦ2С-63 |
1650 |
71А2 |
24 |
180 |
4МЦ2С-63 |
1500 |
71А2 |
24 |
200 |
4МЦ2С-63 |
1400 |
71А2 |
24 |
224 |
4МЦ2С-63 |
1300 |
71А2 |
24 |
250 |
4МЦ2С-63 |
1200 |
71А2 |
24 |
280 |
4МЦ2С-63 |
1200 |
71А2 |
24 |
315 |
4МЦ2С-63 |
1100 |
71А2 |
24 |
355 |
4МЦ2С-63 |
1100 |
71А2 |
24 |
400 |
4МЦ2С-63 |
1000 |
71А2 |
24 |
1,1 |
28 |
4МЦ2С-80 |
4800 |
90LВ8 |
51 |
31,5 |
4МЦ2С-80 |
4500 |
90LB8 |
51 |
35,5 |
4МЦ2С-80 |
4300 |
90LB8 |
51 |
45 |
4МЦ2С-80 |
4000 |
90LB8 |
51 |
50 |
4МЦ2С-63 |
3600 |
80В6 |
32 |
56 |
4МЦ2С-63 |
3400 |
80А4 |
30 |
63 |
4МЦ2С-63 |
3200 |
80А4 |
30 |
71 |
4МЦ2С-63 |
3000 |
80А4 |
30 |
80 |
4МЦ2С-63 |
2800 |
80А4 |
30 |
90 |
4МЦ2С-63 |
2600 |
80А4 |
30 |
100 |
|
2500 |
80А4 |
30 |
112 |
4МЦ2С-63 |
2300 |
80А4 |
30 |
125 |
4МЦ2С-63 |
2300 |
80А4 |
30 |
140 |
4МЦ2С-63 |
2100 |
80А4 |
30 |
160 |
4МЦ2С-63 |
2000 |
71В2 |
24 |
180 |
4МЦ2С-63 |
1800 |
71В2 |
24 |
200 |
4МЦ2С-63 |
1700 |
71В2 |
24 |
224 |
4МЦ2С-63 |
1900 |
71В2 |
24 |
250 |
4МЦ2С-63 |
1600 |
71В2 |
24 |
280 |
4МЦ2С-63 |
1500 |
71В2 |
24 |
315 |
4МЦ2С-63 |
1400 |
71В2 |
24 |
355 |
4МЦ2С-63 |
1300 |
71В2 |
24 |
400 |
4МЦ2С-63 |
1200 |
71В2 |
24 |
1,5 |
28 |
1МЦ2С-100 |
5300 |
90L6 |
85 |
35,5 |
4МЦ2С-80 |
4800 |
90L6 |
51 |
40 |
4МЦ2С-80 |
4600 |
90L6 |
51 |
45 |
4МЦ2С-80 |
4400 |
90L6 |
51 |
50 |
4МЦ2С-80 |
4200 |
90L6 |
51 |
56 |
4МЦ2С-80 |
3900 |
90L6 |
51 |
63 |
4МЦ2С-80 |
3600 |
90L6 |
51 |
71 |
4МЦ2С-80 |
3400 |
90L6 |
51 |
80 |
4МЦ2С-63 |
3300 |
80B4 |
26 |
90 |
4МЦ2С-63 |
3100 |
80B4 |
26 |
1,5 |
100 |
4МЦ2С-63 |
2900 |
80B4 |
26 |
112 |
4МЦ2С-63 |
2400 |
80B4 |
26 |
125 |
4МЦ2С-63 |
2600 |
80B4 |
26 |
140 |
4МЦ2С-63 |
2500 |
80В4 |
26 |
160 |
4МЦ2С-63 |
2300 |
80А2 |
24 |
180 |
4МЦ2С-63 |
2100 |
80А2 |
24 |
200 |
4МЦ2С-63 |
2000 |
80А2 |
24 |
225 |
4МЦ2С-63 |
1900 |
80А2 |
24 |
250 |
4МЦ2С-63 |
1900 |
80А2 |
24 |
280 |
4МЦ2С-63 |
1700 |
80А2 |
24 |
315 |
4МЦ2С-63 |
1600 |
80А2 |
24 |
355 |
4МЦ2С-63 |
1500 |
80А2 |
24 |
400 |
4МЦ2С-63 |
1400 |
80А2 |
24 |
2,2 |
28 |
1МЦ2С-100 |
6400 |
100L6 |
83 |
35,5 |
1МЦ2С-100 |
6300 |
100L6 |
83 |
45 |
1МЦ2С-100 |
5300 |
100L4 |
83 |
50 |
4МЦ2С-80 |
5000 |
100L6 |
49 |
56 |
4МЦ2С-80 |
4800 |
100L6 |
49 |
63 |
4МЦ2С-80 |
4400 |
100L6 |
49 |
71 |
4МЦ2С-80 |
4300 |
90L4 |
44 |
80 |
4МЦ2С-80 |
4000 |
90L4 |
44 |
90 |
4МЦ2С-80 |
3800 |
90L4 |
44 |
100 |
4МЦ2С-80 |
3600 |
90L4 |
44 |
112 |
4МЦ2С-80 |
3400 |
90L4 |
44 |
125 |
4МЦ2С-63 |
3100 |
80B2 |
26 |
140 |
4МЦ2С-63 |
3100 |
80B2 |
26 |
160 |
4МЦ2С-63 |
2800 |
80B2 |
26 |
180 |
4МЦ2С-63 |
2500 |
80B2 |
26 |
200 |
4МЦ2С-63 |
2500 |
80B2 |
26 |
225 |
4МЦ2С-63 |
2400 |
80B2 |
26 |
250 |
4МЦ2С-63 |
2300 |
80B2 |
26 |
280 |
4МЦ2С-63 |
2100 |
80B2 |
26 |
315 |
4МЦ2С-63 |
2000 |
80B2 |
26 |
355 |
4МЦ2С-63 |
1900 |
80B2 |
26 |
400 |
4МЦ2С-63 |
1700 |
80B2 |
26 |
3,0 |
28 |
4МЦ2С-125 |
7700 |
112MA6 |
122 |
31,5 |
4МЦ2С-125 |
7400 |
112MA6 |
122 |
35,5 |
1МЦ2С-100 |
6700 |
112MA6 |
102 |
45 |
1МЦ2С-100 |
6100 |
100S4 |
82 |
56 |
1МЦ2С-100 |
6700 |
100S4 |
82 |
63 |
1МЦ2С-100 |
5200 |
100S4 |
82 |
71 |
4МЦ2С-80 |
5000 |
100S4 |
48 |
80 |
4МЦ2С-80 |
4600 |
100S4 |
48 |
90 |
4МЦ2С-80 |
4200 |
100S4 |
48 |
100 |
4МЦ2С-80 |
4200 |
100S4 |
48 |
112 |
4МЦ2С-80 |
4000 |
100S4 |
48 |
125 |
4МЦ2С-80 |
3800 |
100S4 |
48 |
180 |
4МЦ2С-63 |
3000 |
90L2 |
43 |
200 |
4МЦ2С-63 |
3000 |
90L2 |
43 |
225 |
4МЦ2С-63 |
2700 |
90L2 |
43 |
250 |
4МЦ2С-63 |
2600 |
90L2 |
43 |
3,0 |
280 |
4МЦ2С-63 |
2400 |
90L2 |
43 |
315 |
4МЦ2С-63 |
2300 |
90L2 |
43 |
355 |
4МЦ2С-63 |
2200 |
90L2 |
43 |
400 |
4МЦ2С-63 |
2000 |
90L2 |
43 |
4,0 |
28 |
4МЦ2С-125 |
8800 |
112MB6 |
126 |
31,5 |
4МЦ2С-125 |
8500 |
112MB6 |
126 |
35,5 |
4МЦ2С-125 |
7800 |
112MB6 |
126 |
40 |
4МЦ2С-125 |
7500 |
112MB6 |
126 |
45 |
4МЦ2С-125 |
7000 |
112MB6 |
126 |
50 |
4МЦ2С-125 |
6800 |
112MB6 |
126 |
56 |
1МЦ2С-100 |
6500 |
100L4 |
83 |
63 |
1МЦ2С-100 |
6000 |
100L4 |
83 |
71 |
1МЦ2С-100 |
5800 |
100L4 |
83 |
80 |
1МЦ2С-100 |
5400 |
100L4 |
83 |
90 |
1МЦ2С-100 |
5100 |
100L4 |
83 |
100 |
1МЦ2С-100 |
4900 |
100L4 |
83 |
112 |
4МЦ2С-80 |
4600 |
100L4 |
49 |
125 |
4МЦ2С-80 |
4400 |
100L4 |
49 |
140 |
4МЦ2С-80 |
4000 |
100L4 |
49 |
160 |
4МЦ2С-80 |
3800 |
100S2 |
48 |
180 |
4МЦ2С-80 |
3500 |
100S2 |
48 |
200 |
4МЦ2С-80 |
3400 |
100S2 |
48 |
225 |
4МЦ2С-80 |
3300 |
100S2 |
48 |
250 |
4МЦ2С-80 |
3100 |
100S2 |
48 |
280 |
4МЦ2С-80 |
2800 |
100S2 |
48 |
315 |
4МЦ2С-80 |
2800 |
100S2 |
48 |
355 |
4МЦ2С-80 |
2400 |
100S2 |
48 |
400 |
4МЦ2С-80 |
2400 |
100S2 |
48 |
5,5 |
28 |
4МЦ2С-140 |
|
132М6 |
212 |
31,5 |
4МЦ2С-140 |
|
132М6 |
212 |
35,5 |
4МЦ2С-140 |
|
132М6 |
212 |
40 |
4МЦ2С-125 |
8800 |
132M6 |
166 |
45 |
4МЦ2С-125 |
8400 |
112M4 |
127 |
50 |
4МЦ2С-125 |
8100 |
112M4 |
127 |
56 |
4МЦ2С-125 |
7400 |
132M6 |
166 |
63 |
4МЦ2С-125 |
7300 |
132M6 |
166 |
71 |
1МЦ2С-100 |
6700 |
112M4 |
107 |
80 |
1МЦ2С-100 |
6400 |
112M4 |
107 |
90 |
1МЦ2С-100 |
5900 |
112M4 |
107 |
100 |
1МЦ2С-100 |
5700 |
112M4 |
107 |
112 |
1МЦ2С-100 |
5400 |
112M4 |
107 |
125 |
1МЦ2С-100 |
4800 |
112M4 |
107 |
140 |
4МЦ2С-80 |
4800 |
100L2 |
49 |
160 |
4МЦ2С-80 |
4400 |
100L2 |
49 |
180 |
4МЦ2С-80 |
4200 |
100L2 |
49 |
200 |
4МЦ2С-80 |
4000 |
100L2 |
49 |
225 |
4МЦ2С-80 |
3800 |
100L2 |
49 |
250 |
4МЦ2С-80 |
3600 |
100L2 |
49 |
280 |
4МЦ2С-80 |
3200 |
100L2 |
49 |
315 |
4МЦ2С-80 |
3300 |
100L2 |
49 |
355 |
4МЦ2С-80 |
2900 |
100L2 |
49 |
400 |
4МЦ2С-80 |
2900 |
100L2 |
49 |
7,5 |
28 |
4МЦ2С-160 |
|
132М6 |
290 |
31,5 |
4МЦ2С-160 |
|
132М6 |
290 |
35,5 |
4МЦ2С-140 |
|
132М6 |
212 |
40 |
4МЦ2С-140 |
|
132М6 |
212 |
45 |
4МЦ2С-140 |
|
132М6 |
212 |
50 |
4МЦ2С-140 |
|
132М6 |
212 |
56 |
4МЦ2С-125 |
8700 |
132M4 |
166 |
63 |
4МЦ2С-125 |
8500 |
132M4 |
166 |
71 |
4МЦ2С-125 |
7800 |
132M4 |
166 |
80 |
4МЦ2С-125 |
7500 |
132M4 |
166 |
90 |
4МЦ2С-125 |
7000 |
132M4 |
166 |
100 |
1МЦ2С-100 |
6800 |
112M2 |
108 |
112 |
1МЦ2С-100 |
6300 |
112M2 |
108 |
125 |
1МЦ2С-100 |
5800 |
112M2 |
108 |
140 |
1МЦ2С-100 |
5600 |
112M2 |
108 |
160 |
1МЦ2С-100 |
5200 |
112M2 |
108 |
180 |
1МЦ2С-100 |
4800 |
112M2 |
108 |
200 |
1МЦ2С-100 |
4700 |
112M2 |
108 |
225 |
1МЦ2С-100 |
4400 |
112M2 |
108 |
250 |
4МЦ2С-80 |
4100 |
112М2 |
74 |
280 |
4МЦ2С-80 |
3900 |
112М2 |
74 |
315 |
4МЦ2С-80 |
3700 |
112М2 |
74 |
355 |
4МЦ2С-80 |
3500 |
112М2 |
74 |
400 |
4МЦ2С-80 |
3300 |
112М2 |
74 |
11,0 |
35,5 |
4МЦ2С-160 |
|
160S6 |
355 |
40 |
4МЦ2С-160 |
|
160S6 |
355 |
50 |
4МЦ2С-140 |
|
132М4 |
212 |
56 |
4МЦ2С-140 |
|
132M4 |
212 |
63 |
4МЦ2С-140 |
|
132M4 |
212 |
71 |
4МЦ2С-140 |
|
132M4 |
212 |
80 |
4МЦ2С-125 |
9100 |
132M4 |
166 |
90 |
4МЦ2С-125 |
8500 |
132M4 |
166 |
100 |
4МЦ2С-125 |
8100 |
132M4 |
166 |
112 |
4МЦ2С-125 |
7500 |
132M4 |
166 |
125 |
4МЦ2С-125 |
7100 |
132M4 |
166 |
140 |
4МЦ2С-125 |
6600 |
132M4 |
166 |
160 |
4МЦ2С-125 |
6400 |
132М2 |
160 |
180 |
4МЦ2С-125 |
5900 |
132М2 |
160 |
200 |
4МЦ2С-125 |
5600 |
132М2 |
160 |
225 |
4МЦ2С-125 |
5200 |
132М2 |
160 |
250 |
4МЦ2С-125 |
5050 |
132М2 |
160 |
280 |
4МЦ2С-125 |
4600 |
132М2 |
160 |
315 |
4МЦ2С-125 |
4400 |
132М2 |
160 |
355 |
4МЦ2С-125 |
4100 |
132М2 |
160 |
400 |
4МЦ2С-125 |
3900 |
132М2 |
160 |
15,0 |
50 |
4МЦ2С-160 |
|
160M6 |
355 |
56 |
4МЦ2С-160 |
|
160S4 |
330 |
63 |
4МЦ2С-160 |
|
160S4 |
330 |
71 |
4МЦ2С-140 |
|
160S4 |
252 |
80 |
4МЦ2С-140 |
|
160S4 |
252 |
90 |
4МЦ2С-140 |
|
160S4 |
252 |
15,0 |
100 |
4МЦ2С-140 |
|
160S4 |
252 |
112 |
4МЦ2С-125 |
8700 |
160S4 |
206 |
125 |
4МЦ2С-125 |
8300 |
160S4 |
206 |
140 |
4МЦ2С-125 |
7700 |
160S4 |
206 |
160 |
4МЦ2С-125 |
7400 |
160S2 |
197 |
180 |
4МЦ2С-125 |
6900 |
160S2 |
197 |
200 |
4МЦ2С-125 |
6500 |
160S2 |
197 |
225 |
4МЦ2С-125 |
6100 |
160S2 |
197 |
250 |
4МЦ2С-125 |
5900 |
160S2 |
197 |
280 |
4МЦ2С-125 |
5400 |
160S2 |
197 |
315 |
4МЦ2С-125 |
5200 |
160S2 |
197 |
355 |
4МЦ2С-125 |
4800 |
160S2 |
197 |
400 |
4МЦ2С-125 |
4700 |
160S2 |
197 |
18,5 |
63 |
4МЦ2С-160 |
|
160M4 |
352 |
71 |
4МЦ2С-160 |
|
160M4 |
352 |
80 |
4МЦ2С-160 |
|
160M4 |
352 |
90 |
4МЦ2С-140 |
|
160M4 |
274 |
100 |
4МЦ2С-140 |
|
160M4 |
274 |
112 |
4МЦ2С-140 |
|
160M4 |
274 |
125 |
4МЦ2С-140 |
|
160M4 |
274 |
140 |
4МЦ2С-125 |
8500 |
160М4 |
228 |
160 |
4МЦ2С-125 |
8200 |
160М4 |
228 |
180 |
4МЦ2С-125 |
7700 |
160М4 |
228 |
200 |
4МЦ2С-125 |
7200 |
160M2 |
207 |
225 |
4МЦ2С-125 |
6800 |
160M2 |
207 |
250 |
4МЦ2С-125 |
6500 |
160M2 |
207 |
280 |
4МЦ2С-125 |
6000 |
160M2 |
207 |
315 |
4МЦ2С-125 |
5700 |
160M2 |
207 |
355 |
4МЦ2С-125 |
5430 |
160M2 |
207 |
400 |
4МЦ2С-125 |
5100 |
160M2 |
20 |
ПРИМЕР УСЛОВНОГО ОБОЗНАЧЕНИЯ ПРИ ЗАКАЗЕ.
Мотор-редуктор 4МЦ2С-80-45-2,2-G310-ЦУЗ-2-380 ,где:
Мотор-редуктор типа 4МЦ2С с межосевым расстоянием 80 мм, частотой вращения выходного вала 45 об/мин, мощностью электродвигателя. 2,2 кВт, вариантом размещения в пространстве G310, цилиндрическим концом выходного вала Ц, климатического исполнения У, категории размещения 3, категории точности 2, номинального напряжения сети переменного тока 380 В
Приводная техника (мотор-редукторы, преобразователи частоты и устройства плавного пуска) отправляется покупателю транспортной компанией. По всем вопросам обращаться в офис.
Мы всегда рады видеть у себя наших старых партнеров и ждем новых.
Доставка во все регионы России!
|
 |
 |
|
|