Главная Каталог продукции Прайс-лист Полезная информация контакты
Редукторы цилиндрические
Редукторы червячные
Мотор-редукторы
Преобразователи частоты
Устройства плавного пуска
Аксессуары для ПЧ
Энкодеры
Карта сайта

 

Приводная техника

 

Вся продукция сертифицирована. Мы будем рады видеть Вас клиентом нашей компании.

 

 

Редукторы цилиндрические двухступенчатые горизонтальные РМ-250; РМ-350; PM-400; РМ-500; Р650; РМ-750; РМ-850; PM-1000

Редукторы цилиндрические двухступенчатые РМ-250; РМ-350; PM-400; РМ-500; Р650; РМ-750; РМ-850; PM-1000

Редукторы цилиндрические двухступенчатые РМ-250; РМ-350; PM-400; РМ-500; Р650; РМ-750; РМ-850; PM-1000

Описание:

Редукторы РМ цилиндрические двухступенчатые горизонтальные общемашиностроительного применения типов РМ-250; РМ-350; PM-400; РМ-500; Р650; РМ-750; РМ-850; PM-1000 предназначены для увеличения крутящего момента и уменьшения частоты вращения.

 

Условия эксплуатации имеют следующие особенности:

нагрузка постоянная и переменная, одного направления и реверсивная;
работа длительная или с периодическими остановками, вращение валов в любую сторону;
частота вращения входного вала редукторов РМ не должна превышать 1500 об/мин.;
температура внешней среды от минус 40°C до плюс 50°С;
повышенная запыленность, неагрессивная среда;
редуктор РМ может иметь различное климатическое исполнение: У, Т ( для категории размещения 1...4 ) по ГОСТ 15150-69.

 

Варианты сборки редукторов типа РМ:

 

арианты сборки редукторов типа РМ

 

Габаритные и присоединительные размеры РМ-250, РМ-350, РМ-400, РМ-500:

 

Габаритные и присоединительные размеры РМ-250, РМ-350, РМ-400, РМ-500

 

Тип
aw
aw2
L
L1
L2
l
l1
l2
l3
l4
l5
РМ-250
250
150
540
200
238,5
320
235
45
50
189
249
РМ-350
350
200
710
260
268,5
415
310
5P
60
238
280
PM-400
400
250
816
270
325,5
440
370
80
75
288
367
PM-500
500
300
986
330
330
620
480
110
87
338
420

 

Тип
B
B1
B2
H
H1
h
d
Масса, кг
РМ-250
230
190
230
312
160
22
17
85
РМ-350
270
250
290
400
200
23
17
145
PM-400
300
270
310
490
250
25
17
210
PM-500
350
310
350
592
300
25
17
390

 

 

Габаритные и присоединительные размеры РМ-650, РМ-750, РМ-850, РМ-1000:

Габаритные и присоединительные размеры РМ-650, РМ-750, РМ-850, РМ-1000

 

Тип
aw
aw2
L
l1
L2
l
l1
l2
l3
l4
l5
РМ-650
650
400
1278
430
430
830
490
215
155
445
460
РМ-750
750
450
1448
450
475
1025
620
275
230
491
525
РМ-850
850
500
1632
510
550
1100
610
300
205
546
530
РМ-1000
1000
600
1896
550
695,5
1350
870
350
250
639
645

 

Тип
B
B1
B2
B3
H
H1
H2
h
d
Масса, кг
РМ-650
470
410
470
318
697
320
95
35
25
878
РМ-750
510
450
510
356
743
320
130
35
25
1030
РМ-850
580
520
580
408
875
400
105
35
32
1230
РМ-1000
660
590
660
472
965
400
200
40
32
2122

 

 

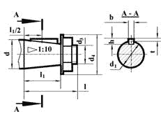
Размеры концов входных валов:

Размеры концов входных валов

 

Тип
d
d1
d3
d4(не более)
l
l1
b
h
t
РМ-250
30
27,10
М20x1,5
50
80
58
5
5
3
РМ-350
40
35,90
М24x2
63
110
82
10
8
5
РМ-400
40
35,9
М24x2
63
110
82
12
8
5
PM-500
50
45,9
М36x3
70
110
82
16
10
6
РМ-650
60
54,75
М42xЗ
94
140
105
16
10
6
РМ-750
60
54,75
М42xЗ
94
140
105
16
10
6
РМ-850
90
83,50
М64x4
130
170
130
22
14
9
РМ-1000
90
83,50
М64x4
130
170
130
22
14
9

 

Размеры концов входных валов

Тип
d m6
d1
b
l
t
РМ-250
55
65
16
82
60
РМ-350
55
65
16
82
60
РМ-400
80
90
22
123
88
РМ-500
80
90
22
123
88
95
115
25
130
104
PM-650
110
130
28
165
120
125
145
32
165
136
РМ-750
110
130
28
165
120
РМ-850
130
150
32
200
141
РМ-1000
150
170
36
200
162

 

 

ТЕХНИЧЕСКИЕ ХАРАКТЕРИСТИКИ РМ-250; РМ-350; PM-400; РМ-500; Р650; РМ-750; РМ-850; PM-1000

 

Частота вращения вх. вала, об/мин
Режим работы Номинальный крутящий момент , Нм
РМ-250
Передаточное число
номин.
50,00
40,00
31,50
22,40
20,00
16,00
12,50
10,00
8,00
фактич.
48,57
40,17
31,50
23,34
20,49
15,75
12,64
10,35
8,23
600
Особо легкий
1779
1791
1756
1747
1729
1655
1650
1549
1389
ПВ = 15%
928
895
903
929
946
903
865
791
734
ПВ = 25%
773
768
802
818
816
777
745
692
642
ПВ = 40%
657
640
702
706
685
652
624
593
550
ПВ=100%
271
256
276
279
277
301
302
297
288
750
Особо легкий
1795
1792
1724
1693
1723
1628
1610
1492
1323
ПВ = 15%
928
870
882
921
940
804
741
726
651
ПВ = 25%
805
768
762
802
809
704
644
634
567
ПВ = 40% .
681
666
642
683
679
603
547
528
473
ПВ = 100%
248
256
281
267
261
281
290
290
294
1000
Особо легкий
1670
1766
1716
1672
1705
1590
1549
1406
1240
ПВ = 15%
835
922
783
803
784
690
666
614
537
ПВ = 25%
742
806
692
691
686
600
581
535
466
ПВ = 40%
650
691
602
647
588
510
496
455
395
ПВ = 100%
255
250
271
268
274
300
290
297
296
1250
Особо легкий
1781
1781
1711
1638
1664
1560
1474
1311
1147
ПВ = 15%
816
798
723
712
722
624
592
514
466
ПВ = 25%
705
706
627
623
628
540
514
450
403
ПВ = 40%
594
614
530
534
534
456
437
387
340
ПВ = 100%
260
246
265
267
267
288
301
292
296
1500
Особо легкий
1761
1741
1688
1624
1598
1530
1401
1241
1056
ПВ = 15%
742
742
623
641
668
550
559
462
400
ПВ = 25%
649
640
543
551
576
480
446
403
348
ПВ = 40%
556
538
462
462
485
410
381
343
296
ПВ = 100%
247
243
271
268
262
300
308
297
291
РМ-350
600
Особо легкий
4254
4222
4113
3977
3817
3762
3643
3593
3460
ПВ = 15%
2166
2175
2357
2304
2251
2332
2254
2142
2005
ПВ = 25%
1856
1855
2056
2007
1958
2031
1952
1862
1743
ПВ = 40%
1624
1599
1705
1710
1664
1730
1671
1582
1481
ПВ=100%
657
608
602
595
587
677
684
692
695
750
Особо легкий
3836
4145
4253
3925
3837
3692
3623
3428
3407
ПВ = 15%
2166
2098
2327
2230
2140
2247
2109
2004
1835
ПВ = 25%
1856
1842
2006
1933
1853
1946
1836
1740
1594
ПВ = 40%
1609
1586
1725
1635
1592
1665
1562
1477
1352
ПВ = 100%
588
563
602
595
600
682
692
738
681
1000
Особо легкий
4037
4068
3973
3835
3759
3611
3502
3362
3184
ПВ = 15%
2135
2111
2257
2141
2055
2092
1944
1790
1691
ПВ = 25%
1856
1842
1956
1851
1801
1821
1691
1552
1463
ПВ = 40%
1624
1535
1655
1583
1527
1550
1437
1315
1242
ПВ = 100%
580
576
602
602
607
692
688
692
684
1250
Особо легкий
4121
4053
3900
3746
3680
3491
3333
3204
3019
ПВ = 15%
2116
2057
2167
2034
2020
1938
1710
1661
1541
ПВ = 25%
1819
1781
1878
1766
1754
1685
1488
1432
1352
ПВ = 40%
1633
1535
1589
1498
1488
1433
1266
1218
1151
ПВ = 100%
594
583
602
607
595
686
686
688
623
1500
Особо легкий
4022
3889
3772
3642
3524
3361
3180
3164
2778
ПВ = 15%
2042
1996
2147
1933
1932
1816
1691
1714
1415
ПВ = 25%
1794
1740
1866
1680
1684
1575
1465
1384
1232
ПВ = 40%
1516
1484
1585
1427
1436
1344
1248
1173
1059
ПВ=100%
588
588
602
610
600
692
684
626
687

 

Частота вращения вх. вала, об/мин
Режим работы
Номинальный крутящий момент , Нм
РМ-400
600
Особо легкий
8507
8251
7875
7322
7015
5768
5233
4862
4259
ПВ = 15%
3480
3710
3160
11150
9788
2984
2858
2670
2503
ПВ = 25%
3016
3198
2759
3010
3034
2608
2496
2324
2175
ПВ = 40%
2552
2750
2357
2564
2578
2207
2113
1978
1848
ПВ=100%
1237
1215
1254
1264
1272
1329
1349
1351
1337
750
Особо легкий
8476
8187
7785
6987
6656
5517
5072
4549
4036
ПВ = 15%
3217
3377
3050
3092
3132
2648
2512
2360
2202
ПВ = 25%
2784
2917
2648
2706
2715
2307
2190
2057
3491
ПВ = 40%
2351
2507
2247
2289
2323
1966
1868
1754
1625
ПВ=100%
1176
1126
1244
1249
1253
1344
1353
1345
1342
1000
Особо легкий
8353
8059
7373
6690
6264
5191
4649
4153
3578
ПВ = 15%
2691
3070
2739
2720
2643
2317
2246
2077
1769
ПВ = 25%
2320
2686
2378
2364
2290
2016
1956
1810
1549
ПВ = 40%
1995
2264
2016
2007
1860
1715
1667
1543
1282
ПВ=100%
1160
1151
1234
1249
1253
1279
1340
1335
1337
1250
Особо легкий
8353
7983
6982
6244
5873
4815
4299
3797
3271
ПВ = 15%
2747
2825
2408
2408
2427
2095
1913
1819
1541
ПВ = 25%
2376
2456
2095
2105
2114
1830
1662
1519
1352
ПВ = 40%
2005
2088
1782
1784
1801
1553
1411
1329
1145
ПВ=100%
1151
1136
1252
1249
1253
1264
1353
1345
1352
1500
Особо легкий
8198
7804
6721
5946
5547
4514
3985
3527
3093
ПВ = 15%
2475
2507
2147
2215
2127
1886
1731
1549
1363
ПВ = 25%
2166
2200
1886
1933
1918
1645
1497
1351
1179
ПВ = 40%
1825
1868
1605
1635
1631
1394
1272
1147
1006
ПВ=100%
835
1151
1244
1264
1266
1274
1296
1233
1195
РМ-500
600
Особо легкий
14230
13113
13292
13194
13051
12540
11875
10712
9304
ПВ = 15%
7193
7100
7423
7805
7341
7022
6642
6180
5766
ПВ = 25%
6265
6205
6470
6541
6460
6144
5837
5439
4980
ПВ = 40%
5336
5245
5467
5575
5481
5141
4931
4532
4259
ПВ=100%
2166
2047
2157
2156
2153
2332
2315
2324
2320
750
Особо легкий
13921
14072
13442
13082
12920
12239
10949
9888
8597
ПВ = 15%
7177
7062
6982
7284
7178
6220
5958
5669
5137
ПВ = 25%
6249
6141
6059
6244
6264
5417
5153
4878
4456
ПВ = 40%
5321
5219
5136
5382
5325
4615
4347
4153
3774
ПВ = 100%
2042
1945
2167
2170
2166
2307
2319
2320
2317
1000
Особо легкий
13689
13624
13091
12710
12529
11286
10023
8900
7627
ПВ = 15%
6775
6946
7223
6244
6166
5342
5193
4796
4128
ПВ = 25%
5893
6025
5447
5463
5383
4665
4529
4153
3617
ПВ = 40%
5012
5143
4635
4527
4503
3912
3864
3510
3067
ПВ = 100%
1995
1996
2167
2163
2153
2317
2319
2324
2107
1250
Особо легкий
13550
13509
12760
12309
12685
10353
9178
8069
6856
ПВ = 15%
6274
6601
5537
5619
5622
4815
4589
4114
3586
ПВ = 25%
5457
5680
4936
4906
4855
4213
4009
3520
3114
ПВ = 40%
4640
4820
4165
4192
3994
3551
3381
3006
2642
ПВ = 100%
2005
1996
2167
2159
2161
2323
2319
2096
2170
1500
Особо легкий
13302
13305
12640
12041
11746
9630
8373
7317
5897
ПВ = 15%
5816
5885
5216
5500
5220
4364
4025
3626
3171
ПВ = 25%
5043
5117
4514
4757
4503
3812
3502
3131
2752
ПВ = 40%
4300
4350
3852
4014
3785
3210
2979
2670
2333
ПВ = 100%
1980
1996
2167
2170
2166
2307
2013
2110
2097

 

 

Частота вращения вх. вала, об/мин
Режим работы
Номинальный крутящий момент , Нм
РМ-650
600
Особо легкий
33256
32622
31600
30847
29690
24076
21536
19282
17561
ПВ = 15%
15855
16631
14797
15609
15824
13794
13083
12360
11270
ПВ = 25%
13844
14392
12790
13565
13703
11913
11472
10712
9829
ПВ = 40%
11756
12281
10784
11521
11583
10032
9661
9064
8322
ПВ=100%
5182
4925
5166
5129
5155
5517
5535
5521
5504
750
Особо легкий
32792
32238
30898
29137
27668
22471
19966
17799
15307
ПВ = 15%
14540
15351
13242
14123
14356
12038
11432
11075
9960
ПВ = 25%
12684
512
11637
12190
12398
10634
9983
9625
8702
ПВ = 40%
10766
11258
9831
10406
10571
8928
8453
8174
7339
ПВ=100%
4764
4708
5136
5173
5090
5517
5636
5537
5032
1000
Особо легкий
32483
31470
29794
26536
24862
20013
17873
15624
13839
ПВ = 15%
13225
13816
12189
12264
12529
10383
10265
9394
8335
ПВ = 25%
11601
12089
10684
10704
10963
9029
8816
8207
7077
ПВ = 40%
9745
10170
9029
9031
9201
7674
7548
6922
5976
ПВ=100%
4687
4912
5116
5129
5188
5568
5555
4994
5032
1250
Особо легкий
31555
30703
28410
24440
22708
18418
16134
14002
-
ПВ = 15%
12251
12588
10955
10971
11432
9510
8888
8069
ПВ = 25%
10580
10899
9510
9544
9945
8246
7729
6922
ПВ = 40%
9095
9364
8065
8295
8457
6982
6569
5854
ПВ=100%
4715
4759
5176
5173
5168
5537
5024
5023
1500
Особо легкий
30781
29935
26484
22448
21012
16954
-
-
ПВ = 15%
11292
11386
9731
10258
10506
8527
ПВ = 25%
9899
9850
8427
8920
9136
7423
ПВ = 40%
8353
8443
7223
7582
7830
6320
ПВ=100%
4702
4708
5116
5129
5155
5016
РМ-750
600
Особо легкий
49497
46694
44641
43483
42741
39374
35021
31148
26865
ПВ = 15%
24749
24626
25581
26016
25449
24076
23146
21260
19788
ПВ = 25%
21655
21428
22070
22671
22186
21067
20127
18458
17167
ПВ = 40%
18175
18230
18809
19326
18924
17806
17108
15657
14546
ПВ=100%
7347
7036
7273
7247
7341
7900
7850
7828
7863
750
Особо легкий
46404
46054
44139
42517
41501
36515
32203
28347
24637
ПВ = 15%
24749
24306
24076
24975
24796
21468
20449
19381
17613
ПВ = 25%
21346
20980
20866
21704
21664
18659
17712
16876
15307
ПВ = 40%
18258
17910
17856
18434
18271
15850
15136
14371
13000
ПВ=100%
6806
6703
7303
7284
7308
7825
7809
7911
7129
1000
Особо легкий
45476
44519
42434
40807
40131
32352
28379
24721
-
ПВ = 15%
23666
23795
21668
21630
21142
18358
17994
16612
ПВ = 25%
20418
20724
18960
18954
18402
15950
15699
14437
ПВ = 40%
17169
17654
15950
16055
15661
13543
13284
12262
ПВ=100%
6729
6716
7163
7805
7341
7825
7125
7120
1250
Особо легкий
44176
43905
41411
39246
36020
28891
25119
-
ПВ = 15%
21531
22413
19261
19445
19263
16612
15651
ПВ = 25%
18933
19650
16853
16947
16914
14446
13719
ПВ = 40%
15963
16579
14205
14271
14408
12279
11593
ПВ=100%
6719
6755
7343
7314
7282
7102
7149
1500
Особо легкий
43620
42216
40127
36422
33279
26584
-
ПВ = 15%
20108
20213
17255
17839
17619
15048
ПВ = 25%
17324
17654
15048
15461
15400
13041
ПВ = 40%
14849
15096
12640
13231
13051
11135
ПВ=100%
6651
6780
7323
7136
7308
7123

 

 

Частота вращения вх. вала, об/мин
Режим работы
Номинальный крутящий момент , Нм
РМ-850
600
Особо легкий
65739
65883
62197
62809
62317
58936
57362
56034
55041
ПВ = 15%
34029
33901
36616
34935
35237
36114
34619
33291
31714
ПВ = 25%
29776
29423
31600
30475
30669
31349
30191
29006
27520
ПВ = 40%
25135
24946
27086
25644
26102
26584
25561
24556
23327
ПВ=100%
10131
9403
10032
10220
10114
10784
10768
10877
10877
750
Особо легкий
65584
64987
62999
62437
61339
58184
56356
54716
51895
ПВ = 15%
34029
33773
35312
34489
34193
34910
32203
31115
26904
ПВ = 25%
29389
29168
30898
30029
29756
30296
28017
27028
24113
ПВ = 40%
25058
24818
26082
25570
25318
24076
23830
22941
20444
ПВ=100%
9404
9160
10032
9960
10049
10834
10788
9888
3565
1000
Особо легкий
64965
64092
61695
60207
59707
55676
54343
-
-
ПВ = 15%
33875
33005
34609
33003
31713
29042
28500
ПВ = 25%
29234
28784
30095
28766
27602
25280
24756
ПВ = 40%
25058
24562
25581
24529
23491
21518
21013
ПВ=100%
9884
9211
9931
10035
9984
10834
9903
1250
Особо легкий
64223
62941
60190
58869
57945
-
-
ПВ = 15%
33039
32238
30577
30683
30695
ПВ = 25%
28956
27939
26724
26759
26780
ПВ = 40%
24501
23641
22872
22834
22708
ПВ=100%
9132
9211
9992
9990
10023
1500
Особо легкий
63418
61405
60190
57234
-
ПВ = 15%
31864
31214
27487
27651
ПВ = 25%
27842
27121
23875
24083
ПВ = 40%
23511
23027
20264
20515
ПВ=100%
9157
9083
10032
10109
РМ-1000
600
Особо легкий
99999
99999
99999
98487
96249
82762
73464
60978
55696
ПВ = 15%
58005
58207
60692
61694
60360
56428
54343
50266
46522
ПВ = 25%
50271
50532
53168
53518
52529
49657
47299
43674
40625
ПВ = 40%
43310
42856
44641
45341
44699
42133
40254
37081
34073
ПВ=100%
17401
16631
17555
17468
17292
18559
18517
18623
16905
750
Особо легкий
100851
99272
100317
96629
92660
76241
67627
56034
-
ПВ = 15%
58159
57312
57783
58275
58728
51162
49110
46146
ПВ = 25%
50735
50148
49757
50842
51159
44139
41864
40213
ПВ = 40%
42691
42472
42133
43111
43329
37719
35424
34280
ПВ=100%
16149
16119
17455
17393
17227
18458
16907
17008
1000
Особо легкий
97448
95946
94800
90311
83199
67714
-
-
ПВ = 15%
54292
56032
51162
52403
49919
43638
ПВ = 25%
48260
48741
44541
45713
43068
37619
ПВ = 40%
40835
41449
37920
38577
36803
32352
ПВ=100%
16009
15927
17455
17393
17423
17004
1250
Особо легкий
94664
92108
92693
80277
-
-
ПВ = 15%
51972
52195
45745
45490
ПВ = 25%
44548
46054
39485
39246
ПВ = 40%
37865
38992
33466
33716
ПВ=100%
15963
15965
17335
17482
1500
Особо легкий
92808
89550
89282
-
ПВ = 15%
46713
48101
40528
ПВ = 25%
40835
41705
35312
ПВ = 40%
34648
35308
29894
ПВ=100%
15932
15863
17455

 

 

Приводная техника (мотор-редукторы, преобразователи частоты и устройства плавного пуска) отправляется покупателю транспортной компанией. По всем вопросам обращаться в офис.


Мы всегда рады видеть у себя наших старых партнеров и ждем новых.

Доставка во все регионы России!